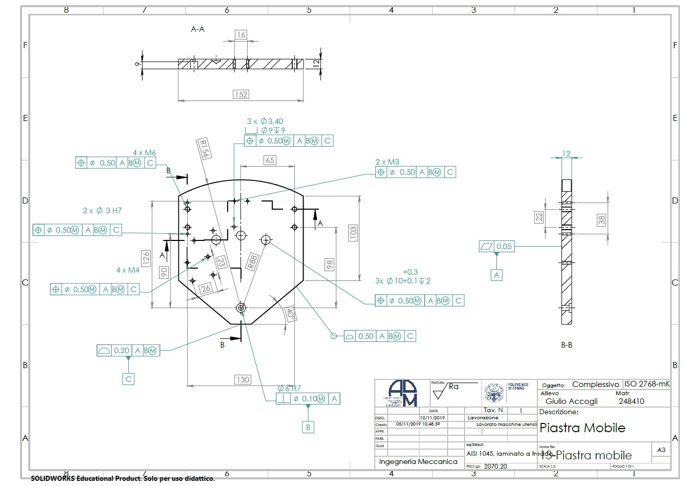
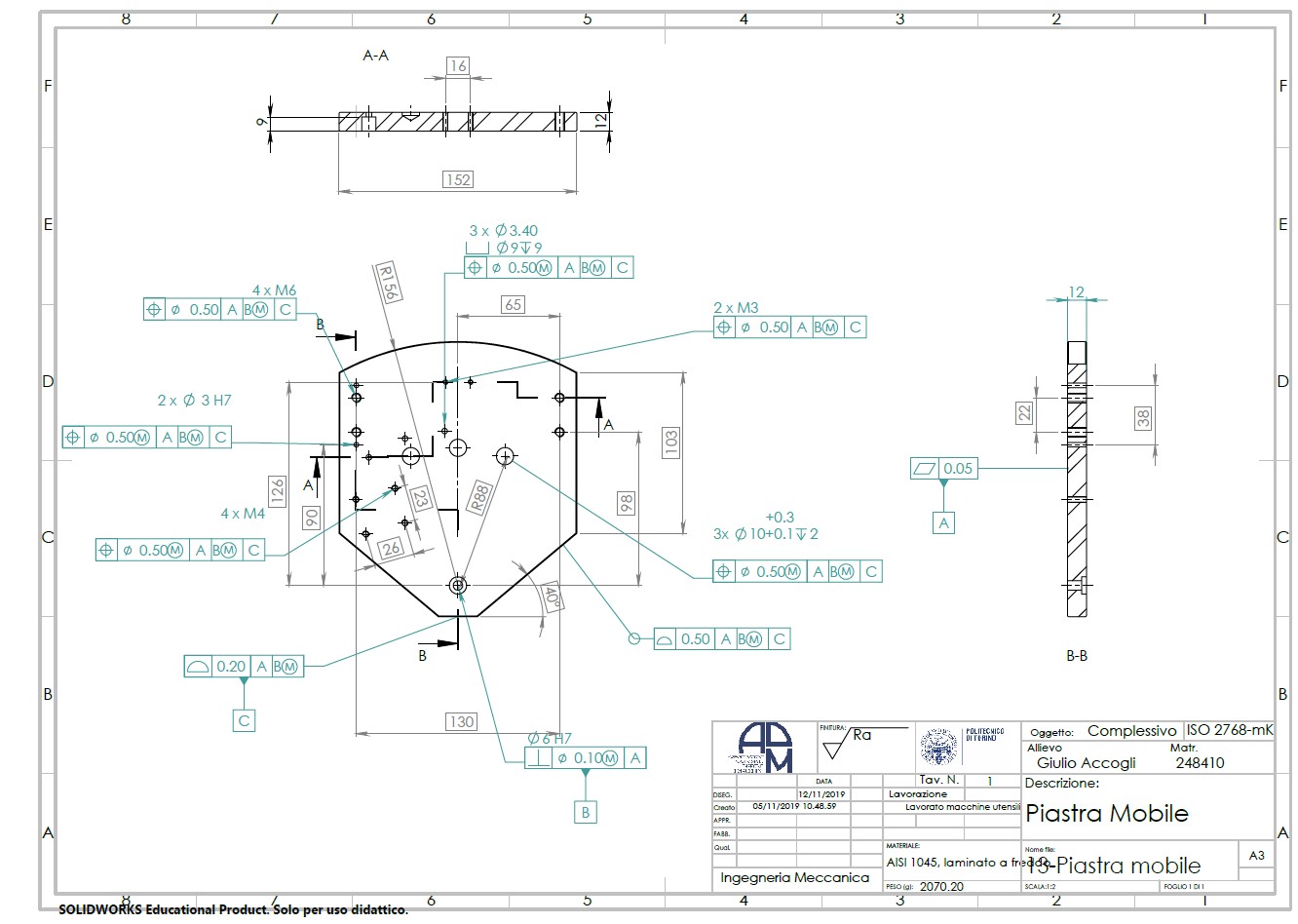
Progettazione su software Solidworks di tutti i componenti necessari per assemblare una stazione di foratura verticale.
Ogni componente è provvisto di quotatura tecnologica e GD&T, raffigurate anche sulla messa in tavola associata.
(Elementi di Costruzione di Macchine - A.A. 19/20)
[IT]
Nato a Gallipoli (LE) il 09/10/1998, attualmente studente di Laurea Magistrale in Ingegneria Meccanica (LM-33) al Politecnico di Torino. La presente è una raccolta di alcuni dei progetti didattici ed elaborati realizzati durante l'intero percorso di studi ed attività extra-curriculari.
[EN]
Born in Gallipoli (LE) on 09/10/1998, Master's Degree student in Mechanical Engineering (LM-33) at Polytechnic of Turin (PoliTo). This is a collection of some projects carried out during college years and extra-curricular activities.





